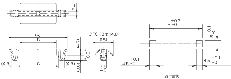
Specifications Unit:mm
Swipe horizontally to view the full table.
| Model No. | (A) | B | C | D | Thickness of the board (t) | Hole shape | Qty/bag |
|---|---|---|---|---|---|---|---|
| FC-13 | 26.0 | 10.0 | 13.0 | 22.0 | 0.6~1.6 | See diagram below | 500 |
| FC-30 | 43.0 | 27.0 | 30.0 | 39.0 | |||
| FC-45 | 58.0 | 42.0 | 45.0 | 54.0 |
Text will be included.Text will be included.Text will be included.Text will be included.Text will be included.Text will be included.Text will be included.Text will be included.Text will be included.Text will be included.Text will be included.Text will be included.Text will be included.Text will be included.Text will be included.Text will be included.Text will be included.Text will be included.
Text will be included.Text will be included.Text will be included.Text will be included.Text will be included.Text will be included.Text will be included.Text will be included.Text will be included.Text will be included.Text will be included.Text will be included.Text will be included.Text will be included.Text will be included.Text will be included.Text will be included.Text will be included.
Features
Feature 01 High-Resolution Printing for Compact Labels
Feature 02 Compact, Space-Saving Design
Feature 03 Flexible Integration into SMT Lines

Cases
Here is a behind-the-scenes look at the development process.
No articles have been posted yet.
Articles
Find the latest information on our products and new technologies
-
Practical Strategies for ESD Control in Plastics: Causes and CountermeasuresEffective esd control for plastics involves multiple strategies, such as ionization, humidification, and the strategic ... -
Notice Regarding the Revision of Our Corporate Code of ConductNIX, INC. Groupe has revised a portion of its Corporate Code of Conduct in response to the growing global expectations ...
-
Year-End and New Year Holiday NoticeOur office will be closed for the year-end and New Year holidays from December 27 to January 4. We will resume normal ...
About Us
NIX,INC. has met the diverse and high-precision demands of
manufacturing sites with PCB racks and other circuit board-related
products for decades.
Learn more about our company and our over 70 years of proven
experience here.